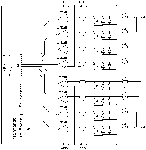
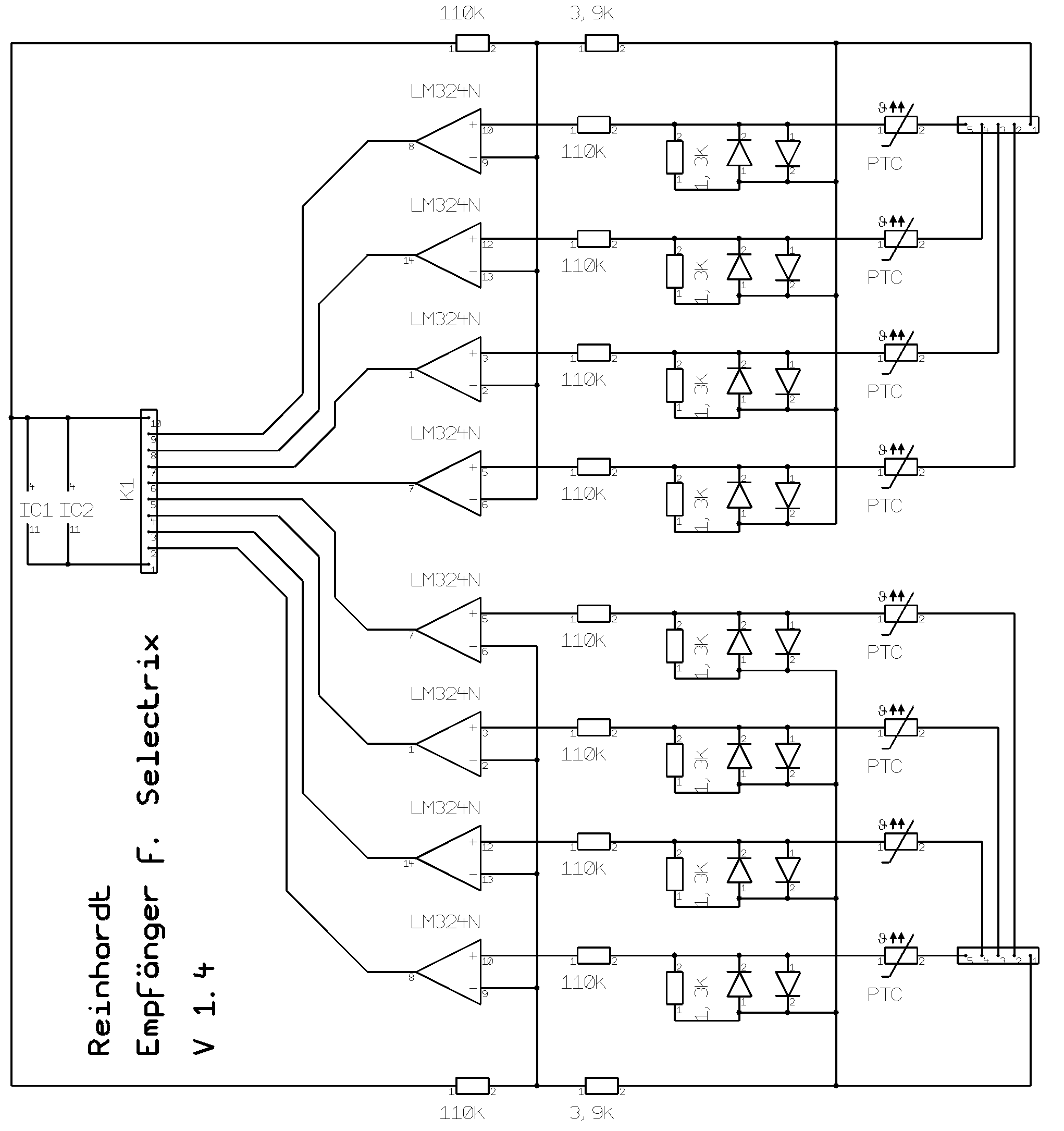
Besetztmelder Digital
Es gibt zweimal je 4 Anschlüsse die von je einem Fahrspannungsanschluss IN versorgt werden.

und hier alle drei plus Target-File als ZIP. (125 kb)

Empfängerprogrammierung
- an der Zentrale auf STOP schalten
- Taste am Empfänger drücken, LED leuchtet
- der Empfänger schreibt nun seine gespeicherten Einstellungen in die Zentrale
- Funktionen der Adressen:
- Adresse 0: die Decoderadresse das A-Kanals
- Adresse 1: ohne Funktion
- Adresse 2: ohne Funktion
- Adresse 3: die Freigabeverzögerung dabei sind Zeiten von 0 bis ca. 20 Sekunden in Schritten von ca. 0,08 Sek. möglich
- Adresse 5: die Funktion, hierbei gilt (--------) = Eingang
- nun können die einzelnen Änderungen vorgenommen werden
- nach einem erneuten Drücken der Taste am Empfänger, oder dem Einschalten der Zentrale erlicht die LED und der Empfänger speichert seine Einstellungen.
Stückliste
mit den Artikelnummern der Fa. Reichelt aus dem Katalog 04/2002
Bauteilnr. |
Anzahl |
Artikel |
Artikelnr. |
Preis |
Gesamt |
IC1, IC2 |
2 |
LM 324 |
LM 324 DIL |
0,18 Euro |
0,36 Euro |
PTC |
8 |
PTC nach der Stromstärke |
z.B. PFRA 090 |
0,56 Euro |
4,48 Euro |
Dioden |
16 |
Diode nach der Stromstärke |
z.B. 1N5401 |
0,06 Euro |
0,96 Euro |
K1 |
1 |
Buchsenleiste |
Buchsenl. 10G |
0,65 Euro |
0,05 Euro |
R1-R9, R20 |
10 |
110k |
1/4W 110k |
0,033 Euro |
0,33 Euro |
R14, R19 |
2 |
3,9k |
1/4W 3,9k |
0,033 Euro |
0,07 Euro |
R10-R13, R15-R18 |
8 |
1,3k |
1/4W 1,3k |
0,033 Euro |
0,26 Euro |
K3 |
2 |
Klemme |
AKL 055-2 |
0,14 Euro |
0,28 Euro |
K3 |
2 |
Klemme |
AKL 055-3 |
0,20 Euro |
0,40 Euro |
2 |
IC-Sockel |
GS 14 |
0,05 Euro |
0,10 Euro |
|
1 |
Brücke |
0,00 Euro |
|||
Summe Besetztmelder Digital |
7,29 Euro |