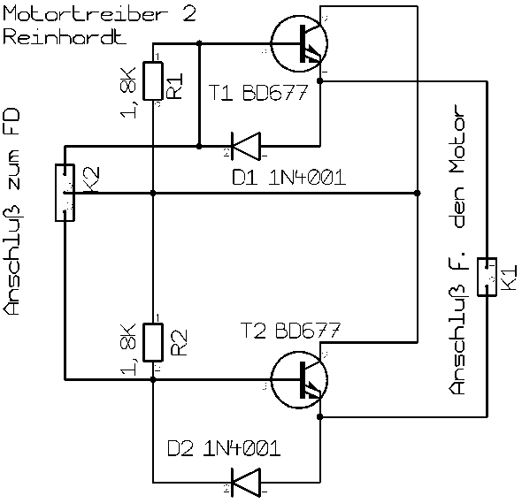
Motortreiber 2
Da meine Funktionsdecoder FD1 und FD2 nicht für Motorantriebe geeignet sind habe ich einen Schaltungsvorschlag, den es mal auf der Seite von Heiko Deserno gab, aufgegriffen und dafür eine kleine Zusatzplatine zu den Decodern angefertigt.
Die Anschlüsse von K2 passen auf die Ausgänge der FD1 , FD2 und dem
Decoder von Döhler & Hass.
Als Anschlüsse habe ich die Abschnitte der beiden Dioden verwendet und
nach dem Einlöten um 90° abgebogen und auf ca. 10 mm gekürzt. Alternativ
können in die Bohrungen auch Schraubklemmen eingelötet werden.
Beim Anschluss an den FD2 sollte dieser natürlich auch mit BD 677
Transistoren bestückt sein, da die Transistoren der Funktionsdecoder
nicht nur zum Steuern sondern zusammen mit der Zusatzplatine zum Umpolen
der Spannung gebraucht werden.
Getestet habe ich mit Fulgurexweichenantrieben, aber es funktioniert auch mit einfachen Motoren, z.B. zum Antrieb eines Krans.
Die Umlaufgeschwindigkeit kann man über die Spannung die an den FD
angelegt wird bestimmen.


Stückliste
mit den Artikelnummern der Fa. Reichelt aus dem Katalog 03/2003
Bauteilnr. |
Anzahl |
Artikel |
Artikelnr. |
Preis |
Gesamt |
T1 - T2 |
2 |
Transistor |
BD677 |
0,27 Euro |
0,54 Euro |
K1 |
1 |
Klemme |
AKL 101-02 |
0,13 Euro |
0,13 Euro |
R1 - R2 |
2 |
1,8k |
1/4W 1,8k |
0,033 Euro |
0,07 Euro |
D1 - D2 |
2 |
1N4001 |
1N 4001 |
0,02 Euro |
0,04 Euro |
Summe Motortreiber 2 |
0,78 Euro |