Funktionsdecoder 2
Der FD 2 ist im Gegensatz zum FD 1 mit Transistoren bestückt.
Der Vorteil dieser Ausführung liegt darin, dass man, wenn mal ein Ausgang
überlasten wurde, nicht gleich ein ganzes IC weg werfen muss.
In Verbindung mit dem Programm ab Version 6 können ja die 16 Ausgänge
einzeln geschaltet werden und so kann die Leistung jedes Ausgangs durch
die Wahl des passenden Transistors selbst bestimmt werden.
Damit auch Transistoren mit unterschiedlicher Pinbelegung ohne
Schwierigkeiten benutzt werden können, habe ich Lötaugen für
Transistoren der Gehäuseform TO92 und TO126 in der Platine vorgesehen.
Auf der Abbildung der Platine kann man erkennen, das der Prototyp mit 2
BD677, 3 BC 547 und
11 BC 107 bestückt ist.
Bei den beiden IC´s habe ich beide Varianten getestet, sowohl die
CMOS- als auch die LS-Variante verrichten klaglos ihre Arbeit.
Bei den Klemmen gibt es welche mit Rastermaß 5,00 mm und 5,08 mm, bei mir
haben beide gepasst.
Beim Anschluss von induktiven Lasten muss der
Ausgang durch Schutzdioden geschützt werden.
Der Baustein benötigt das Programm ab Version 6.

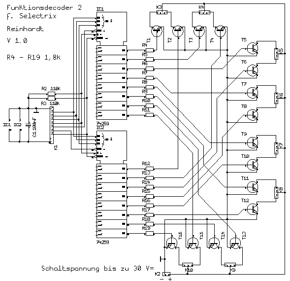
Bestückungsplan
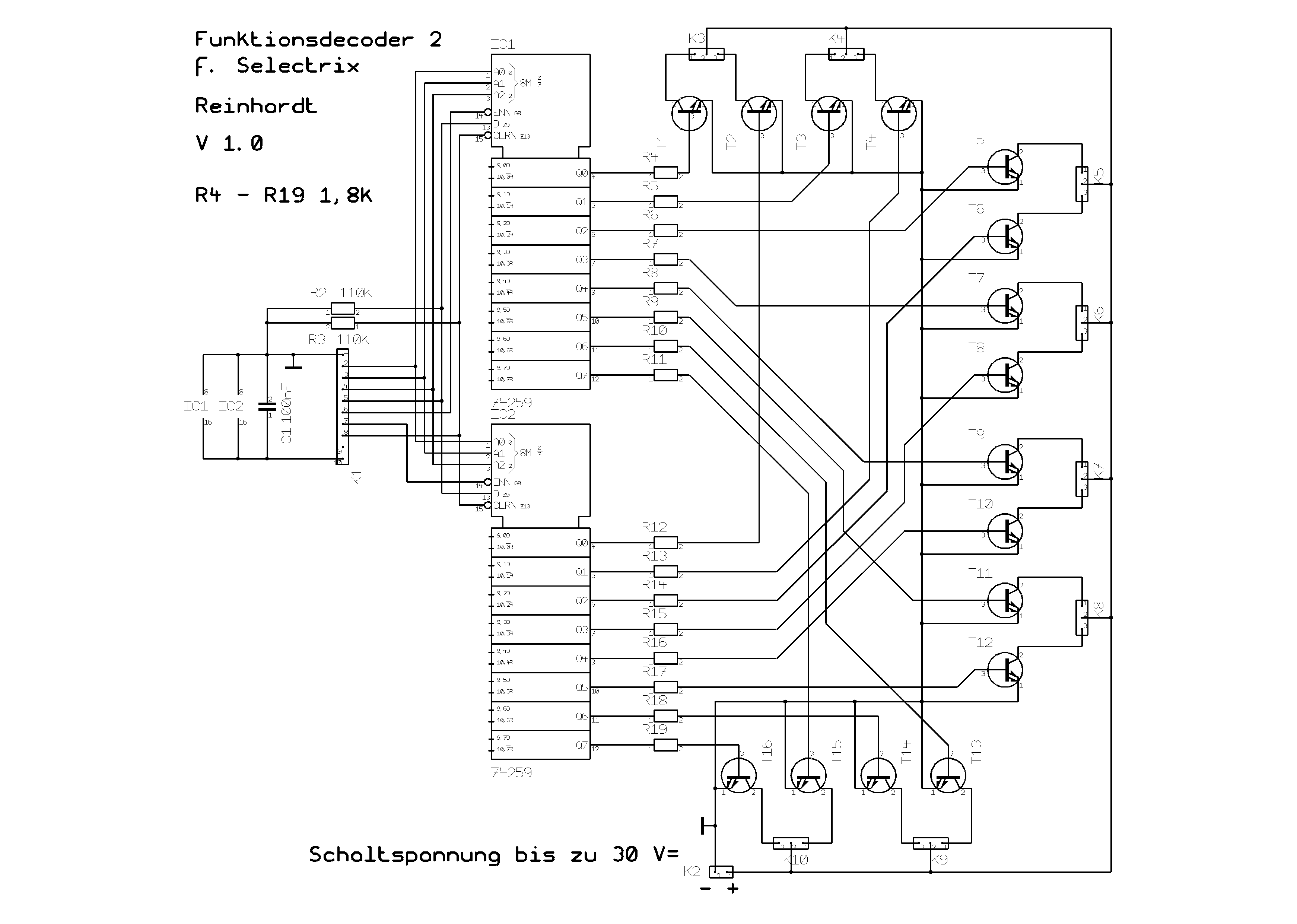
Platinenlayout

Empfängerprogrammierung
- an der Zentrale auf STOP schalten
- Taste am Empfänger drücken, LED leuchtet
- der Empfänger schreibt nun seine gespeicherten Einstellungen in die Zentrale
- Funktionen der Adressen:
- Adresse 0: die Decoderadresse das A-Kanals
- Adresse 1: die Ausgangsart, hierbei gilt :
(/) = Dauer
(-) = Impuls
bei 16 Ausgängen ohne Funktion - Adresse 2: die Decoderadresse des B-Kanals
- Adresse 3: die Freigabeverzögerung / Impulsdauer dabei sind Zeiten von 0 bis ca. 20 Sekunden in Schritten von ca. 0,08 Sek. möglich
- Adresse 5: die Funktion, hierbei gilt:
(/-------) = 8 Ausgänge
(//------) = 16 Ausgänge
- nun können die einzelnen Änderungen vorgenommen werden
- nach einem erneuten Drücken der Taste am Empfänger, oder dem Einschalten der Zentrale erlicht die LED und der Empfänger speichert seine Einstellungen.
Stückliste
mit den Artikelnummern der Fa. Reichelt aus dem Katalog 01/2003
Bauteilnr. |
Anzahl |
Artikel |
Artikelnr. |
Preis |
Gesamt |
C1 |
1 |
100 nF |
Kerko 100n |
0,07 Euro |
0,07 Euro |
IC1 , IC2 |
2 |
74259 |
74HC 259 |
0,26 Euro |
0,52 Euro |
T1 - T16 |
16 |
Transistor |
BC547 |
0,05 Euro |
0,80 Euro |
K1 |
1 |
Buchsenleiste |
Buchsenl. G10 |
0,65 Euro |
|
K2 |
1 |
Klemme |
AKL 055-2 |
0,14 Euro |
0,14 Euro |
K3 - K10 |
8 |
Klemme |
AKL 055-3 |
0,20 Euro |
1,60 Euro |
R2 , R3 |
2 |
110k |
1/4W 110k |
0,033 Euro |
0,07 Euro |
R4 - R19 |
16 |
1,8k |
1/4W 1,8k |
0,033 Euro |
0,53 Euro |
Summe Funktionsdecoder 2 |
3,77 Euro |